
L'isolateur audio présenté ici en plusieurs versions permet d'isoler galvaniquement (électriquement) deux équipements audio analogiques, dans un contexte de recherche de problème de boucle de masse. Le circuit, constitué de transformateurs audio et entièrement passif (pas besoin d'alimentation), n'est pas prévu pour une installation permanente.
 
  
 
  
  Quatre circuits sont proposés :
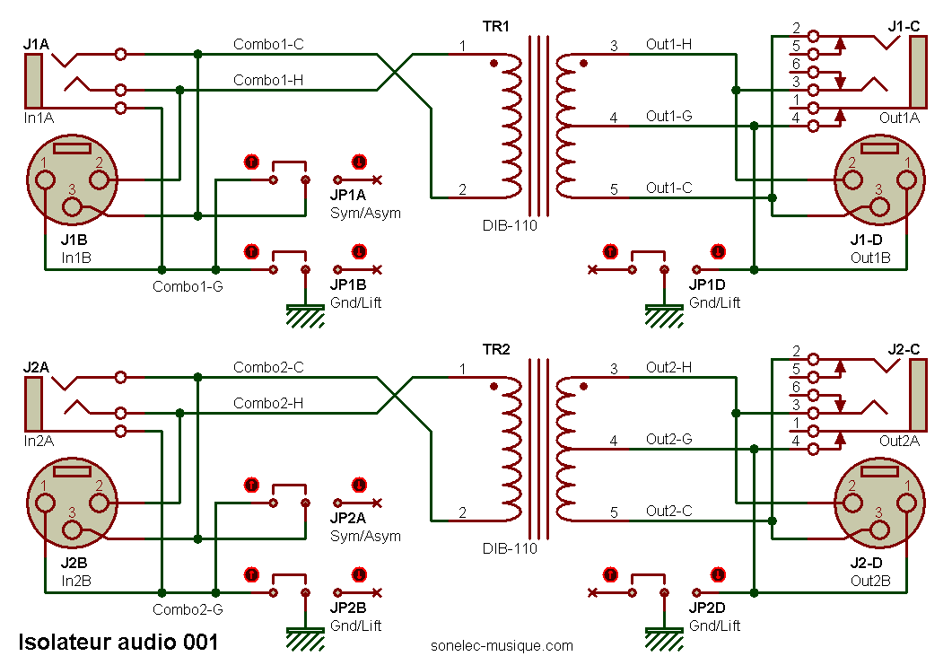
- Schéma 001 - avec 2 transformateurs Monacor DIB-110Le schéma 001d répond à un besoin particulier : celui de brancher en entrée la sortie d'un récepteur BT de micro serre-tête, soit en jack "stéréo" 3,5 mm soit en jack mono 6,35 mm (le circuit fonctionne dans tous les cas en mono).
Un autre circuit isolateur audio 002 utilisant lui aussi des transformateurs audio (au nombre de 2, 3 ou 4) a été développé avec le même objectif.
Un ou deux transformateurs audio de qualité "standard" mais de bonne facture, associés à des connecteurs combo jack-XLR en entrée, jack et XLR en sortie (jacks 6,35 mm et 3,5 mm pour la version 001d).



 
Vu l'usage prévu du circuit, le type de transformateur et son rapport de transformation ne sont théoriquement pas critiques, le principal étant qu'ils assurent l'isolation galvanique. On ne peut toutefois passer sous silence que le rapport de transformation du DIB-110 est de 10:1, contre 1:1 ou 1:2 pour les LTR-110 et TY-250. Notez en outre les différences de branchement des connecteurs de sortie entre le schéma 001 et les schémas 001b et 001c. Sur les schémas 001b (avec transformateurs LTR-110) et 001c (avec transformateurs Triad TY-250), le jack et la XLR de sortie délivrent deux signaux audio isolés. En plus de la fonction isolation, on dispose donc aussi d'une fonction splitter 1E/2S.
Connecteurs utilisés :
Remarque : les divers cavaliers JPx ont pour fonction d'établir ou de couper une liaison entre différents points du montage et la masse (sous l'appellation plus ou moins officielle de Ground/Lift).
Réalisés pour les quatre versions 001, 001b, 001c et 001d, selon dessin des circuits imprimés visibles ci-après.
Réalisé et testé OK.
Réalisé et testé OK.
Cela ne se voit pas sur les photos, mais je me suis trompé dans l'empreinte du transformateur LTR110, et cela m'a contraint de tordre légèrement les broches des transformateurs pour les faire rentrer dans le PCB. La correction est bien sûr reportée sur les dessins d'implantation qui suivent.
Réalisé et testé OK.
 
 
  
 
 
 
  
 Le rapport d'impédance primaire/secondaire du transformateur utilisé ici est d'environ 1:4 et sa bande passante est inconnue (non mesurée) . Le système a été utilisé avec succès entre la sortie d'un récepteur de microphone sans fil d'entrée de gamme (pour voix uniquement, donc) et l'entrée de deux enceintes amplifiées. L'idée principale dans le cas présent était juste d'apporter un poil de gain en passif sur une installation de sonorisation "voix" un peu juste...
Circuits dessinés en double face.
 
 
 
 

 
 

 
 Typons (dessins PCB) au format PDF...
08/12/2024
- Ajout photo prototype 001d.
29/09/2024
- Ajout circuit 001d avec un seul transformateur DIB-110.
06/11/2022
- Ajout photos prototype 001c.
30/10/2022
- Ajout schéma 001c avec transformateurs Triad TY-250.
19/12/2021
- Correction erreur empreinte PCB du transformateur LTR-110.
- Ajout photos de mes deux prototypes, avec transformateurs
DIB-110 (circuit 001) et LTR-110 (circuit 001b).
07/11/2021
- Modification PCB pour acceptation de
jacks Neutrik NRJ6HF ou Neutrik NMJ6HCD2 ou Amphenol ACJS-HHOP
ou
Amphenol ACJS-IH (en sortie).
17/10/2011
- Première mise à disposition.