Dernière mise à jour :
06/05/2012
Présentation
La présente réalisation est un classique du genre, elle
fait appel au circuit intégré spécifique LM3914.
L'échelle est de type linéaire et convient parfaitement
pour l'affichage d'une tension continue de valeur comprise entre 0 V et
+20 V. Trois schémas sont proposés :
-
Schéma 001 : version de base, pilotage classique de 10 LED.
-
Schéma 001b : ajout d'une LED de dépassement de seuil au schéma de base 001.
-
Schéma 001c : schéma de base dans lequel les LED sont remplacées par des sorties logiques +5 V à +15 V.
Pour l'affichage d'une tension comprise entre 10 V et 15 V
(contrôle tension batterie 12 V), vous reporter à la page
Voltmètre
002.
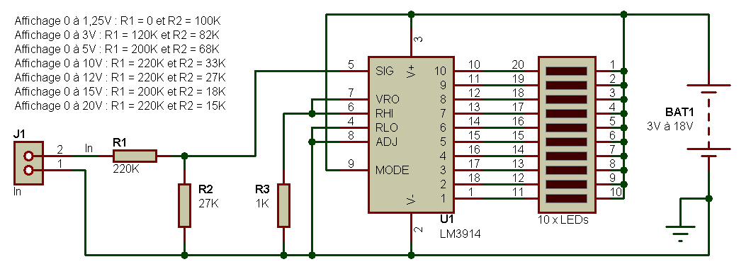
Schéma 001
Le schéma que voici est adapté d'une application
proposée par le constructeur du circuit intégré.
Rien de révolutionnaire en somme, j'ai juste ajouté un
pont diviseur
résistif en entrée pour permettre l'adaptation
à la plage d'entrée désirée.
Echelle / Plage de
tension
d'entrée
L'échelle d'affichage, c'est à dire la plage de tension
d'entrée pour laquelle aucune led ou toutes les leds sont
allumées, est par défaut de 1.25V pour la configuration
de cablage du LM3914 adoptée ici. Pour étendre la plage
de 0V..1.25V à une plage de tension plus vaste, un pont diviseur
résistif constitué de R1 et R2 est ajouté en
entrée, afin de ramener la tension max désirée
pour un plein affichage, à une valeur de 1.25V. Ainsi, pour que
toutes les leds s'allument avec une tension de 12.5V en entrée,
le pont diviseur doit atténuer la tension d'entrée dans
un rapport de 10. Vous trouverez ci-dessous quelques valeurs de R1 et
R2 pour quelques plages de tension.
- Affichage 0 à 1,25V : R1 = 0 et R2 = 100K
- Affichage 0 à 3V : R1 = 120K et R2 = 82K
- Affichage 0 à 5V : R1 = 200K et R2 = 68K
- Affichage 0 à 10V : R1 = 220K et R2 = 33K
- Affichage 0 à 12V : R1 = 220K et R2 = 27K
- Affichage 0 à 15V : R1 = 200K et R2 = 18K
- Affichage 0 à 20V : R1 = 220K et R2 = 15K
Utilisation d'une sonde / potentiomètre de niveau
Jocelyn souhaite quelques renseignements concernant l'utilisation de ce
voltmètre en tant qu'indicateur de niveau d'eau dans un
réservoir, lequel comporterait un flotteur actionnant l'axe d'un
potentiomètre. Le tout doit fonctionner sous une tension
d'alimentation de 12V. Il aimerait notemment connaitre les valeurs
à donner à R1 et R2 pour cette tension de 12V, et quel
type et valeur de potentiomètre utiliser. La réponse
à la première question a été ajoutée
quelques lignes avant. Pour la seconde question, un
potentiomètre de type linéaire et de valeur comprise
entre 10 Kohms et 100 Kohms fera parfaitement l'affaire.
Une extrêmité du potentiomètre est reliée
à la masse, l'autre extrêmité est
reliée au potentiel +12 V, et le curseur est relié
à l'entrée du voltmètre
(borne 2 de J1). Quand le flotteur monte, il déplace l'axe du
potentiomètre, et ce dernier fournit une tension qui
dépend de sa position. Le plus dûr finalement est l'aspect
mécanique de la chose.
Autres méthodes de câblage du LM3914
Il est possible de supprimer le pont diviseur d'entrée
et de câbler différement la broche 8 du LM3914, pour disposer
des plages d'affichage évoquées ci-avant. La solution
adoptée ici est une solution parmi d'autres. Nulle doute que si
le LM3914 vous interresse, vous allez consulter avec interêt le
document constructeur qui en parle assez bien, et envisager plein
d'autres belles choses autrement plus interressantes qu'un vulgaire
voltmètre - un
vumetre
à 270
leds, par exemple ?
Mode d'affichage
Le mode d'affichage, mode barre ou mode point, est défini par le
cablage de la broche 9 du LM3914. Si cette broche est reliée
à la borne Plus de l'alimentation, l'affichage se fait en mode
Barre (appelé aussi mode baregraphe). Si la broche 9 est
laissée en l'air (raccordée à rien), l'affichage
se fait en mode point.
 |
Broche 9 du
LM3914 raccordée au Plus alim :
l'affichage se fait en mode Barre |
 |
Broche 9 du
LM3914 laissée en l'air :
l'affichage se fait en mode Point
|
Schéma 001b - ajout d'une LED de détection de seuil
L'affichage en baregraphe vous plait bien, mais vous aimeriez ajouter
une extension qui s'active sur dépassement d'une valeur
donnée. Par exemple, vous construisez ce voltmètre avec
les valeurs qui vont bien pour travailler sur une plage de tension de
0 V à 10 V, et aimeriez activer une LED additionnelle, un
buzzer ou
un
relais,
lorsque la tension
appliquée à l'entrée dépasse 8 V. On pense
tout de suite à se "repiquer" sur la sortie 8 du LM3914 (borne
12). Oui, mais comment faire ? Ajouter une LED ou un relais va demander
plus de courant sur la sortie concernée, et on aime pas
être brutal avec les circuits intégrés. On imagine
donc (car à l'école on apprend à imaginer de
soi-même) ajouter un transistor faisant office d'interface, en
tant qu'amplificateur de courant. Un NPN ? Un PNP ? Un petit BC107,
2N2222 ou 2N2907, ou un gros BUZ20, 2N3055 ou 2N2955 ? Restons
modestes, et contentons-nous d'un petit 2N2907. Un 2N2907 ? Mais quelle
horreur, c'est un PNP ! Ah... je vois que certains sont toujours plus
à l'aise avec les NPN, hum ? Et bien il va falloir que cela
change. Car sinon, vous aurez un mal de chien à digérer
le montage suivant.
Les sortie du LM3914 sont actives à l'état bas, et
à l'état haute impédance au repos. C'est la raison
pour laquelle les LED sont ainsi cablées, cathodes sur les sorties du LM3914 et
anodes à la borne plus de l'alimentation. Il est donc
nécessaire d'utiliser un transistor PNP qui entre en conduction
quand on applique une tension "négative" (plus faible) sur sa
base, par rapport au plus alimentation. Si vous remplacez la LED D1 par
un buzzer électromécanique ou par un relais, n'oubliez
pas d'ajouter une diode de protection (type 1N4007) en parallèle
sur cet élement pour protéger le transistor Q1 contre
toute surtension qui pourrait l'endommager (cathode de la diode sur
collecteur de Q1 et anode de la diode à la masse).
Schéma 001c - Sorties logiques en remplacement des LED
En
temps normal, des LED doivent être reliées entre chaque sortie du
LM3914 et le +Alim (mode de câblage en anode commune). Que faire si au
lieu des LED vous voulez disposer de sorties de type logiques ? Le
schéma qui suit montre une solution.

Les sorties du LM3914 se font "à la manière du collecteur ouvert", ce qui signifie que l'on dispose pour chacune d'elle :
- soit d'une liaison avec la masse quand la sortie est active,
- soit d'une liaison ouverte quand la sortie est désactivée.
Si
on remplace les LED par des résistances de "charge collecteur"
(reliées au +alim, comme c'est le cas ici pour R4 à R13), alors chaque
sortie devient une sortie de type logique (TTL si alim générale +5 V).
Mais l'état logique est "inversé", dans le sens où on dispose d'un
niveau "0 V" pour chaque sortie active et d'un niveau "+Alim" pour
chaque sortie désactivée. Pour retrouver une logique positive, il
convient d'inverser l'état logique de chaque sortie, ce qui est fait
ici par les buffers inverseurs de type CD4049. On pourrait aussi
utiliser des CD4069, qui sont aussi des inverseurs logiques mais en
version non bufferisée et donc avec une capacité en courant plus
réduite (pas critique si le circuit qui fait suite est de la
logique câblée traditionnelle). Question consommation, nous n'avons pas
le problème de dissipation de puissance qu'on aurait avec des LED
activées en mode ruban, si la tension d'alim grimpe à +15V. La valeur
données aux résistances R4 à R13 impose en effet une limite de 6 mA
(avec alim 15 V) sur le courant délivré sur chaque sortie (on peut
augmenter la valeur de ces résistances à 4,7 kO ou 6,8 kO pour réduire
encore ce courant). Je ne vous conseille pas de dépasser la tension
d'alim de +15 V, à cause des circuits intégrés CD4049 (ou CD4069)
ajoutés.
Circuit imprimé
Réalisé en simple face, pour le premier schéma (001).
Typon
aux formats
PDF et
Bitmap 600 dpi
Les deux pastilles marron (broche 9 du LM3914 et borne positive de
l'alimentation) devront être reliées ensembles si vous
souhaitez un affichage en mode Barregraph. Si vous ne les reliez pas,
l'affichage se fera en mode Point.
Historique
06/05/2012- Ajout schéma 001c avec sorties logiques +5 V ou +15 V.
xx/xx/20xx (un jour parmi tant d'autres)
- Ajout schéma 001b avec LED additionnelle d'indication de dépassement de seuil.
26/06/2008- Première mise à disposition