Dernière mise à jour :
14/05/2017
 |
Une "copie" du
Theremax de PAIA,
placée dans un ancien coffert de rangement d'un chalet pour
enfants. Le boitier étant assez volumineux, j'en ai
profité pour intégrer un petit ampli BF.
|
 |
Pour ceux qui
éprouvent
des difficultés à faire fonctionner leur Theremax, j'ai
fais quelques relevés
d'oscillo (formes d'ondes) et de tensions en divers endroits
"stratégiques" du montage. A comparer avec ce que donne votre
platine.
|
Présentation
Le deuxième Theremin
que j'ai décidé de
réaliser est le Theremax,
décrit sur le site PAiA. Pour plus d'informations concernant
le principe général de cet instrument, merci de vous
reporter à la description (sommaire) donnée à la
page Theremin
- Présentation.
Le Theremax requiert des transformateurs spécifiques,
modèle
42IF110
ou
42IF110-RC
(je suppose que le suffixe -RC signifie
ROHS
Compliant).
Comme je
n'étais pas le seul à rechercher ce genre de transfos,
j'en ai
commandé 2 x 100 pour une
commande
groupée ;-).
Vous pouvez vous procurer ces transfos aux Etats-Unis chez
Mouser ou en Allemagne chez
Musikding.
Schéma(s)
Pour permettre une description détaillée plus claire du
montage de PAIA, j'ai décidé de scinder le schéma
en plusieurs sous-parties. Les schémas ci-dessous
représentent donc exactement la même chose que le
schéma mis à disposition par PAIA, seul la
représentation physique des
composants sur le schéma (placement) diffère. Quand une
partie d'un bout de schéma doit être reliée
à une partie d'un autre bout de schéma, la liaison est
matérialisé par un petit rond avec une lettre ou un nom
(rond plein, le trait qui lui est attaché ne rentre pas dedans).
Les points qui doivent être reliés à une partie
extérieure du circuit imprimé (potentiomètres,
antenne, etc) sont représentés par un rond où le
trait qui lui est attaché entre dedans. Cette
façon de montrer les fonctions
présente un avantage de taille : certaines parties du montage
peuvent être ignorées pendant la phase de
réalisation et de mise au point, sans que le fonctionnement
général ne soit mis en cause. La liste du matériel
fait l'objet d'une page à part, qui est la page Theremin
002 -
Liste du matériel.
Descriptif des diverses parties
Vous trouverez ci-après le descriptif de fonctionnement
des divers étages du Theremax. Les éventuelles
modifications proposées par d'autres bidouilleurs ou par
moi-même y seront rapportées.
Relevés de tension /
courbes
oscilloscope
Sauf mention contraire, toutes les valeurs
indiquées entre paranthèses et en violet sur les
schémas, sont des
tensions mesurées avec un voltmètre en calibre 2,00V
continu ou 20,0V continu. Les photo des écrans d'oscilloscope
prenant un peu de place, j'ai préféré les mettre
sur une page séparée, que
voici.
Oscillateurs "Pitch"
Cette section est composée de deux oscillateurs : un de
fréquence variable (à gauche sur le schéma) et un
de fréquence fixe (à droite sur le schéma), chaque
oscillateur étant composé d'un transformateur FI de type
42IF110 associé à un transistor (montage oscillateur de
type Hartley). Le fait d'approcher la
main (ou certains objets) de l'antenne "Pitch" raccordée
au point P
provoque un désaccord de l'oscillateur variable (sa
fréquence d'oscillation change quand la main s'approche de
l'antenne). La fréquence de
l'oscillateur fixe est quant à elle censée ne pas
changer. Les deux fréquences (celle de l'oscillateur fixe et
celle de l'oscillateur variable) sont mixées grace au
mélangeur à diodes D2 à D5 (D3 et D5 seules dans
certaines versions du Theremax), ce qui produit deux
nouveaux signaux : un dont la fréquence est égale
à la différence des fréquences des deux
oscillateurs, et un autre dont la fréquence est égale
à la somme des fréquences des deux oscillateurs. A noter
qu'en sortie de ce mélangeur ne subsiste quasiment plus les
signaux originaux. Un
filtre passe-bas constitué du réseau R26 / C22 supprime
la composante Somme, ne reste donc que la composante Différence.
Cette dernière présente une fréquence audible
quand les deux oscillateurs sont correctement réglés,
c'est ce signal à fréquence Différence qui est
utilisé par la suite comme source
sonore principale. Prenons un exemple : l'oscillateur fixe
délivre un signal de 795 KHz, et l'oscillateur variable
délivre un signal de 792 KHz. Le signal Somme résultant
est de 1587 KHz, il sera bloqué par le filtre passe-bas. Le
signal Différence résultant (disponible au point X), est
de 3 KHz, donc situé dans la bande audio, il sera
conservé. Ce signal transite ensuite par un étage tampon
/ amplificateur centré sur le transistor Q8. Le condensateur C27
de 220pF contribue à atténuer encore un peu les
fréquences très élevées de la composante
Somme.
Transistors testés avec succès sur la partie oscillateurs
: BC108, BC171, BC172, BC183C, BC237, BC549, 2N3904, 2N3565. Je suis
sûr que plein d'autres peuvent convenir.
Diodes testées avec succès pour le mélangeur :
1N34, 1N60, 1N70, 1N127, 1N198, 1N270, OA95.
Rôle de RV1 : ajustage fin du réglage de l'oscillateur
variable, le réglage grossier étant assuré par la
vis de réglage (noyau) du transformateur TR1.
Remarque
: pour que les signaux Somme et Différence puissent naître
en sortie des mélangeurs à diodes, il n'est
pas nécessaire que l'amplitude des signaux
mélangés soient supérieure
au seuil de conduction des diodes. Même avec des signaux
d'amplitude
aussi faible que 150 mV, on obtient le signal attendu en sortie des
mélangeurs. Il est certe faible (quelques mV) mais parfaitement
exploitable après filtrage et amplification.
Oscillateurs "Volume"
Le principe est exactement le même que celui de la section Pitch
(voir ci-avant). La différence principale réside dans
l'exploitation du signal Différence présent au point Y,
qui servira à produire une variation de volume à travers
un ampli commandé en tension (VCA).
Transistors testés avec succès sur la partie oscillateurs
: les mêmes que ceux testés sur les oscillateurs de la
section Pitch.
Diodes testées avec succès pour le mélangeur : les
mêmes que celles testées sur le mélangeur de la
section Pitch.
Rôle de RV2 : ajustage fin du réglage de la
"sensibilité" de volume de l'oscillateur variable, le
réglage grossier étant assuré par la vis de
réglage (noyau) du
transformateur TR3. Ce n'est pas un réglage de volume !
Remarque concernant les
oscillateurs
Les oscillateurs Pitch et Volume, s'ils sont accordés sur des
fréquences très voisines, sont susceptibles de
s'auto-synchroniser : l'un se laisse "influencer" par l'autre et
"s'accroche" à lui. Pour éviter ce
phénomène, les oscillateurs doivent soit être
blindés (encadrés d'une surface conductrice reliée
à la masse), soit osciller à des fréquences
suffisement distantes l'une de l'autre. Et dans tous les cas,
l'alimentation de chaque oscillateur doit être suffisement
découplée (cela est assuré ici par les
réseaux R3/C4, R8/C8, R13/C12 et R17/C16). Si le
phénomène se produit en continu, cela se traduit par
l'abscence pure et simple de son en sortie audio. S'il se produit
à certains moments, le son présente une
instabilité ou des sauts ou coupures brusques.
Réglage
de timbre (pitch)

Le comparateur U1:B (IC1:A sur le schéma original) est
monté en trigger de Schmitt. Son rôle est de convertir en
onde carrée, l'onde sinusoidale issue de la sortie de Q8 et
transmise au travers de C30. Le réglage de timbre consiste
à effectuer un mélange entre onde sinus et onde
carrée, avec l'idée d'avoir dans le signal de sortie audio, plus de
sinus - potentiomètre RV3(R81)
côté R39/R41, point test E - ou plus de carré - potentiomètre
RV3(R81) côté R40/R42, point test F. La sortie mixée (point marqué
PITCH sur le bout de schéma qui précède) est finalement transmise au
circuit de contrôle de volume (VCA) via C36.
Sortie Pitch/CV
La sortie Pitch/CV délivre une tension proportionnelle à la hauteur du son joué par le theremin.

L'onde
carré issue du comparateur U1:B (IC1:A) est transmise à un
différentiateur constitué de C28/R24, chargé de
transformer ce carré en impulsions. Ces impulsions sont ensuite
intégrées grâce à D10/C24, afin de produire une tension dont
l'amplitude est fonction de la
fréquence de l'onde. En effet, comme chaque impulsion est de
même largeur quelque soit la fréquence, une
fréquence plus élevée se traduira par une tension
plus élevée en sortie Pitch CV Out. Le transistor Q5 est
monté en suiveur de tension (haute impédance
d'entrée, faible impédance de sortie), son rôle est
de tamponner C24 afin de ne pas trop le "charger". La sortie Pitch/CV
est optionnelle. J'ai câblé les composants qui y sont liés sur mon
prototype, mais je ne m'en sers pas.
Mise en forme Volume
Le fonctionnement de cet étage est similaire à celui du
timbre (pitch), voir ci-avant.

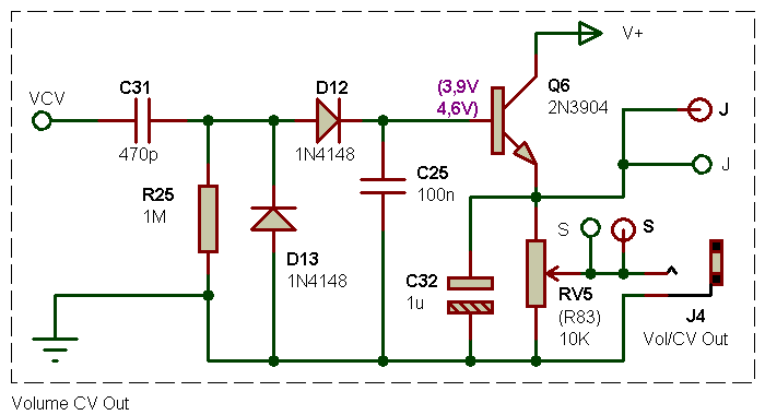
Sortie Volume/CV
La sortie Volume/CV est optionnelle. Elle délivre une tension proportionnelle au volume en cours.
J'ai câblé
les composants qui y sont liés sur mon prototype, mais je ne m'en sers
pas.
Sortie Velocité/CV
La sortie Vélocité/CV est optionnelle. Elle délivre une tension proportionnelle à la vitesse de variation du volume.
J'ai câblé
les composants qui y sont liés sur mon prototype, mais je ne m'en sers
pas.
Sortie Trigger/Gate
La sortie Trigger/Gate est optionnelle. Elle permet de synchroniser le
"départ" de note d'un synthé externe, via ses entrées Trigger/Gate.
Pour plus de détails concernant la fonction trigger/CV, voir page CV/Gate 001.
J'ai câblé
les composants qui y sont liés sur mon prototype, mais je ne m'en sers
pas.
Amplificateur commandé en
tension (VCA)
La section VCA permet d'ajuster le volume de sortie avec une tension de
commande continue. La tension de commande continue utilisée pour régler
le voume de sortie, est élaborée à partir de la section HF "volume" et du traitement associé qui fait suite.
Le VCA repose sur l'emploi de composants discrets, aucun circuit
spécialisé n'est utilisé ici. Deux transistors
(Q10 et Q11) sont montés en différentiel, le gain de
l'étage est déterminé par le courant circulant à
travers Q12. La tension de commande de volume issue du curseur du
potentiomètre RV5 (R83) est ainsi mise à contribution, et est
convertie en courant par R70. C'est ce courant qui determine le courant
collecteur de Q12 et donc le gain de l'ensemble. Quand le courant
augmente, le gain de Q10 et Q11 augmente en conséquence. Un AOP
simple de type 748 se charge de convertir le différentiel en
signal audio disponible sur une classique sortie asymétrique. Le
condensateur de liaison C38 se charge de bloquer la tension continue
présente en sortie de l'AOP.
Régulation alimentation
Le Theremax requiert une tension d'alimentation de 12V. Cette tension
est abaissée et régulée grâce à la
diode zener D1 de 8,2V.
J'ai fait quelques essais avec
différentes alimentations secteur (des non
régulées et des régulées) et avec des piles
(3 x 4V5). Ce qui est sûr, c'est qu'il est impératif que
l'alimentation soit parfaitement régulée. Avec une
alimentation imparfaitement stabilisée, le Theremax ne se
comporte pas très bien. On n'entend pas forcement de la
ronflette, mais on se rend compte que les réglages sont plus
critiques et moins stables. Avec une de mes alimentations dite
régulée, la partie volume du Theremax ne fonctionne
quasiment pas. Ou alors quand j'arrive à trouver un point de
réglage qui va bien, il ne dure que quelques minutes. Ayant
intégré un ampli BF à mon boitier Theremax, et cet
ampli n'acceptant pas plus de 12V d'alim, j'ai décidé
d'alimenter le boitier sous 16V continus, et d'opérer deux
régulations internes distinctes de 12V avec des LM317(une
régul. pour le Theremax et une autre pour l'ampli BF).
Circuit imprimé (PCB)
2011 : j'ai refait le typon du Theremax, en y
apportant quelques modifications :
-
présence de 4 diodes dans les deux parties mélangeurs
(des oscillateurs RF). Deux versions de schéma de Theremax
circulent en effet, et sur l'un des schémas il n'y a que deux
diodes par mélangeur alors que pour l'autre schéma il y
en a quatre. Comme j'ignore l'impact de cette modification, je
prévoie les deux possibilités, sachant qu'il est facile
de
passer de l'une à l'autre avec une seule version de CI.. Selon
les dires
de David B. VanHorn, l'usage de 4 diodes est plus que
préférable. Je tiens à signaler que j'ai eu entre
les mains un Theremax à réparer, qui n'était
pourvu que de deux diodes par mélangeur. Le temps du
dépannage, j'ai ajouté deux diodes à chaque
mélangeur pour faciliter la comparaison des signaux
électriques avec mon Theremax. Sans avoir vraiment pris beaucoup
de temps, j'en ai profité pour faire quelques comparaisons entre
la version à deux diodes et la version à quatre diodes.
Hônetement, je n'ai pas pû déceler de
différences flagrantes, si ce n'est peut-être pour la
section volume, qui réagit un peu différement, un peu
plus "mollement". Mais comme ces comparaisons ont été un
peu rapides et peu "professionnelles", je préfère laisser
les quatres diodes en place.
-
ajout de pastille sur les bandes de masse qui séparent chaque
oscillateur, afin d'atténuer encore plus le cas
échéant, le couplage entre ces derniers, par la mise en
place d'une petite tôle verticale côté composants.
Avertissement : le typon fourni par
PAIA dans le
document PDF qu'il met gracieusement à disposition sur son site
(référencé 9505c) n'est pas parfaitement à
l'échelle ! Si cela ne pose pas
de problème pour les résistances, diodes, condensateurs
et transistors, les circuits intégrés et les transfos
quant à eux, ne pourront pas être placés ! Vous ne
pouvez donc pas vous contenter d'imprimer tel quel ce typon sur un
transparent !
Vous noterez que le
placement des composants que j'ai adopté est quasiment identique à celui adopté par PaiA.

02/05/2006
Attention !
Sur le typon mis
à disposition avant le 02/05/2006, il manquait la
résistance R64 sur le circuit imprimé. Mais comme le
Theremax fonctionnait sans cette résistance, je ne m'en suis pas
rendu compte ! Merci à Jean-Luc de me l'avoir signalé.
Typon au format PDF (echelle 1:1) et BMP 600 dpi (echelle 8:1) :
paia_theremax_pcb.zip
Montage du Theremax sur circuit normal en fin de page.
Liste du matériel :
Theremin
002 -
Liste du matériel.
Prototype
Je suis parfois du genre un peu impatient. La légère
refonte du circuit
imprimé ne m'a pas empêché de démarrer un
petit
prototype, sur plaque d'expérimentation de type HF (avec plan de
masse). J'ai ainsi monté chaque étage l'un après
l'autre, en commençant par les oscillateurs HF, en continuant
avec le VCA, puis en terminant par les étages spécifiques
aux sorties "tension continue" (CV Volume, etc).

01/10/2005
Transfos 42IF110
(ou 42IF110-RC) - Comme les
pattes de ces transfos ne sont pas au pas normalisé de 2,54 mm,
c'est la carcasse du transfo elle-même qui est soudée sur
le CI. Les pattes de connexion des bobinages sont pliées
à 90 degrés, et sont soudée directement aux
composants. J'adopte ici la technique du "plus court possible",
toujours hautement recommandé quand on commence à monter
un peu en fréquence. Chaque oscillateur sera
séparé de son voisin par une petite plaque de cuivre
servant de blindage HF, afin de limiter tout risque
d'auto-synchronisation entre eux.
Supports -
J'ai monté
les diodes 1N270 (germanium) et les transistors 2N3904 sur supports
afin de pouvoir tester d'autres modèles (la photo
précédente laisse apparaitre des transistors en boitier
métallique, ce ne sont pas des 2N3904, mais des BC108, ça
fonctionne aussi).
Potentiomètres
-
Les potentiomètres ne sont pas alignés sur un même
côté du circuit, j'ai simplement voulu limiter la longueur
des cablages.
Essais prototype
- Oscillateurs :
fonctionnent
tous. J'avais omis au départ de mettre les capas C6, C10, C18 et
C14, et seuls les oscillateurs fixes fonctionnaient. J'ai donc mis des
capas "normale" en attendant la réception de ma commande des
capas "NPO".
- Mélangeur
: ça
fonctionne. J'obtiens bien en sortie un signal Somme et
Différence, et après filtrage passe-bas, il ne reste que
la Différence avec un résidu de Somme. Ce signal
envoyé au petit ampli centré sur Q8 permet, malgré
un niveau de sortie un peu trop faible à mon goût,
d'écouter le résultat dans un HP (via un ampli BF bien
sûr). Bref, je retrouve bien là le son
caractéristique.
Montage sur CI traditionnel
Voici ci-dessous quelques photos destinées à montrer
l'état d'avancement du montage.
Terre vierge, pas encore peuplée :
Montage en premier des straps (devinez pourquoi en premier). Ensuite montage des supports pour les circuits intégrés,
transistors et diodes germanium (utilisation de barettes
sécables pour les
supports transistors et diodes) et résistances.
Et puis le reste..., diodes germanium et transistors montés sur
supports (pour les diodes Ge, les supports sont surtout destinés
à limiter les risques de surchauffe lors du soudage).
Pas de cablage des divers jacks pour le moment (inutiles pour
les tests).
Montage terminé, sous tests, il fonctionne.
Mais où sont passées les
résistances R75, R76, R77, R78, R85 et R86 ?
L'oeil averti aura constaté que ces résistances ne sont
pas sur le PCB. Elles sont soudées directement sur les
potentiomètres.
la forme d'onde suivante est celle obtenue sur l'émetteur des
transistors de quaque section oscillateur. Quelques centaines de mV,
amplitude dépendant de la fréquence (elle-même de
l'ordre de 900KHz lors de la photo de l'écran oscillo). Pour
d'autres relevés, visitez donc la page
Theremin
002
- Ecrans oscillo.
Plus qu'à mettre en boite et à régler
correctement, parce que tel quel, pas facile à en jouer... Les
échantillons sonores seront mis en ligne une fois l'engin
entièrement fini.
Nouvelle version PCB du 07/11/2021 :
PCB refait en version "plus pro" :

Theremax 002b...
Mise en boite...
Plusieurs solutions. Acheter tout l'ensemble mécanique de Paia,
incluant boitier, antennes, boutons de potentiomètres, visserie.
Soit se débrouiller avec ce que l'on a sous la main.
Réalisation du coffret en bois, ou pourquoi pas,
récupération d'un jouet en plastique ayant suffisement
d'espace interne pour accueillir l'ensemble. Cette dernière
solution peut sembler un peu "enfantine", mais en même temps,
pourquoi pas... Cela peut être l'occasion de recycler quelque
vieux jouet rendu inutile avec l'âge.
Premiere tentative de mise en
boite : démontage d'un ancien démodulateur satellite en
panne.
L'engin avant et pendant son démontage :
Fixation avec scotch du dessin du CI pour l'emplacement des trous :

Et mise en place du CI et des potentiomètres. Résolution
d'un problème causé par la mauvaise qualité du
potentiomètre
utilisé pour le réglage fin de la partie Oscillateur
Pitch. Ca crachait
et il était impossible de régler quoi que ce soit,
d'où les sonorités
bizarres que j'obtenais. J'ai remplacé tous les
potentiomètres par des bons (ceux que j'avais utilisés
pour le proto, voir photo du proto), j'obtiens bien à nouveau le
son
caractéristique du theremin. Ouf !
Test avec des antennes pour CB portable, une en vertical pour le pitch,
l'autre en horizontal pour le volume (je mettrai les vraies antennes en
temps voulu) :
Bah ça rend pas si mal que ça, en fait. Le réglage
volume est bien plus souple, un vrai plaisir ! Je n'arrive pas encore
à régler tout ça correctement et je trouve la
distance de fonctionnement assez faible pour le moment (envron 40 cm),
mais je met ça sur le compte des antennes et de l'environnement,
pas vraiment adaptés il faut bien l'avouer (l'engin n'est pas du
tout dégagé). En tout cas, ça prend tournure !
Un jour après...
Nouveau boitier, celui du démodulateur sat ne me plaisait pas
assez, et le fait qu'il soit métallique ne convenait pas
vraiment au Theremax. Il faut dire que j'ai retrouvé (tout
à fait pas
hazard) un support de CD audio, que je m'étais
décidé de conserver pour un tout autre usage. Voici donc
venue son heure...
16/02/06 :
- j'ai changé les potentiomètres actuels par des
"normaux", piste
carbone axe 6 mm, avec boutons (ce sera plus facile à regler),
- j'ai fait des trous dans le couvercle (dessous du boitier) pour
pouvoir ajuster le noyau
des
transfos HF sans avoir à ouvrir la boite,
- pour
l'instant, j'utilise un trépied en plastique pour appareil
photo, mais c'est assez instable.
Plus de raison maintenant pour ne pas faire quelques enregistrements
audio...
Ah si, une raison : j'ai, comment dire, essayé de jouer un peu
de cet instrument et... heu... j'ai encore des progrès à
faire...
C'est à cause des antennes ? Aaaah, vous me rassurez !
Nouveau boîtier
Boîtier en plastique actuel et trépied appareil
photo : trop instable pour une utilisation sans risque. Quand je sors
l'instrument, mes enfants se disputent pour (en) jouer et il a failli
à plusieurs reprise terminer en pièces
détachées. J'ai donc décidé de changer d'emballage, au profit d'un nouveau en bois pour assurer à l'ensemble une
rigidité supérieure.
06/11/2006
Désormais, mon Theremax va donc prendre place dans
un coffret en bois, ancienne boite de rangement de structure en bois
pour la construction d'un petit chalet d'enfant.
Comme il y a de la place en rab, j'en profiterai pour intégrer
un HP (taille moyenne) ou deux HP (petite taille), ainsi qu'un pack
d'accus. L'engin pourra donc ainsi fonctionner de façon autonome.
J'en profite pour
virer les antennes CB, et mettre en place des antennes
démontables,
plus proches d'un point de vue physique, de celles du vrai Theremax de
Paia. En passant, merci à
Virtuel
pour ses infos concernant la
technique de montage des antennes. Merci aussi à mes parents et
au plombier pour la chute du tuyau de cuivre 6/8 mm !
Le HP et son petit
ampli BF à
base de LM386 associé, et le tout sur un support pour clavier :

Nos invités n'y échappent généralement pas...
Relation entre fréquence de sortie (note) et distance main - antenne
23/06/2011
: Claire, une élève préparant un sujet sur le Theremin m'a contacté
pour savoir s'il était possible de faire quelques relevés pratiques
avec un fréquencemètre, à mettre en face de formules mathématiques.
Nous avons donc convenu d'un rendez-vous et en deux heures de temps
nous avons tracé une courbe montrant l'évolution de la fréquence de
sortie (note) en fonction de la distance séparant la main de l'antenne.
Je précise que je n'ai jamais cherché à optimiser la courbe de
variation de mon instrument, ce qui explique en grande partie les
résultats obtenus.
Difficultés rencontrées
Le tracé
d'une courbe dont l'un des axes est la distance main - antenne peut
sembler trivial à première vue. Pourtant quelques difficultés ont assez
rapidement surgit.
-
Stabilité de la position de la main
: pas évident du tout de rester avec une main parfaitement fixe pendant
la mesure, surtout quand on s'en approche de près et que la moindre
variation de position se traduit par un fort décalage de la note
produite.
-
Perturbation apportée par celui qui fait la mesure
: le mètre utilisé était de type dépliant en bois et Claire était
positionnée derrière moi. L'erreur de lecture de la distance sur le
mètre était loin d'être constante mais on a fait comme on le sentait
pour la minimiser au mieux.
-
Réception radio parasite
: comme constaté une ou deux fois déjà, réception parasite forte et
soutenue d'un programme radio en langue inconnue. Heureusement cette
perturbation n'était pas constante et on a pu disposer de quelques
bonnes minutes pour travailler tranquilement.
-
Perturbation apportée par le fréquencemètre
: la pire de toute sur notre installation ! Le theremin ne se sentait
plus de joie, il laissait entendre des tas de sons mouvants et aigus
dès qu'il était physiquement raccordé à l'appareil de mesure. La seule
solution pour contourner le problème a été de placer un microphone
dynamique en regard du HP et de le relier directement au
fréquencemètre. Ainsi plus de liaison électrique directe entre les deux
appareils (j'aurais pû aussi envisager l'emploi d'un transfo BF mais je
trouvais l'idée du micro plus rigolote).
Résultat des mesures
Mesures non communiquées (en attente de réception).
Historique
14/05/2017
- Un peu de mise en ordre (et plus de détails) dans le descriptif des sorties "annexes".
26/06/2011 (et avant)
- Début de l'aventure.