Dernière mise à jour :
16/12/2012
Présentation
Ce
temporisateur
est destiné à s'intercaler entre la sortie de puissance d'un
amplificateur audio et les haut-parleurs. Il évite les plocs à la mise
sous tension et son alimentation peut se faire directement via celle de
l'amplificateur audio.

La
durée de temporisation est fixe (deux ou trois secondes) mais vous
pouvez la modifier si nécessaire. Le système est prévu pour un
amplificateur stéréo mais peut sans problème être utilisé sur un
amplificateur mono. Aucun réglage n'est nécessaire, le montage doit
fonctionner du premier coup.
Avertissement
Bah oui, ce serait trop simple...
- S'il est mal branché, ce module peut occasionner
des dommages à votre amplificateurs audio. Ne tentez sa réalisation et
son installation que si vous savez parfaitement ce que vous faites. Au
besoin, faites-vous aider de quelqu'un qui connait le sujet.
- Ce montage convient pour un amplificateur dont la puissance de sortie est de quelques dizaines de watts (ampli de salon).
- Ce montage
n'est pas prévu pour un amplificateur dont l'étage de puissance est
monté en pont, mais il peut être adapté pour, ce point est abordé.
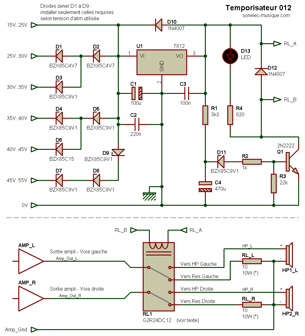
Schéma
Schéma complet.
Fonctionnement général
Le principe consiste à couper temporairement la liaison entre la sortie de l'amplificateur BF et le haut-parleur, avec un
relais
électromécanique. Si l'amplificateur est de type stéréo, les deux voies
gauche et droite sont traitées de la même façon et en même temps. Juste
après la mise sous tension, le circuit se met en marche et au terme de
sa temporisation (au bout de deux ou trois secondes) il active le
relais qui rétablit la liaison d'origine. Durant ces quelques instants
de temporisation, les sorties amplifiées sont raccordées à des
résistances de puissance qui font office de charge, pour ne pas laisser
les sorties de l'amplificateur en l'air (c'est dangereux pour certains
amplis non protégés qui recevraient durant ce cours laps de temps, un
signal audio alors que le volume est monté).
Temporisation
La
temporisation est, sans trop de surprise, confiée à un condensateur et
non à un PIC (j'aurais bien aimé, mais je n'en n'ai trouvé aucun qui ne
possède que deux broches et qui soit de forme cylindrique). Pour
comprendre comment ce montage fonctionne, nous allons partir du moment
où il est hors tension, c'est à dire à un moment où l'amplificateur
audio auquel il est intégré, est éteint. A cette étape, le relais RL1
est en position repos. Ce qui signifie que le point "commun" des deux
inverseurs qu'il comporte (c'est un modèle DPDT, double inverseur) est
en contact avec le point "repos". Le point "repos" est relié à une
résistance de puissance (RL_L pour la voie gauche et RL_R pour la
voie droite) et le point "commun" est reliée à la sortie puissance de
l'amplificateur BF. Ainsi, la sortie de l'amplificateur est chargée par
une résistance de valeur fixe (ici 10 ohms) tant que le relais n'est
pas activé. Pour que l'amplificateur envoie sa sauce dans les
haut-parleurs, il faut que le relais soit activé (qu'il colle) et
qu'ainsi son point "commun" se mette en contact avec son point
"travail" qui lui est relié au haut-parleur. Mettons maintenant
l'amplificateur sous tension, ce qui par la même occasion met le
montage en fonction. A l'instant même du démarrage, le condensateur C4
est déchargé, et la tension à ses bornes est nulle. Le transistor Q1,
dont la base est reliée à ce condensateur en passant par la diode D11
et par la résistance R2, ne peut conduire car il lui faut une tension
de commande d'au moins 0,7 V pour se saturer. Le relais qui est
dans son circuit collecteur ne peut donc s'activer. Au fil du temps qui
passe et de façon assez rapide, le condensateur C4 se charge à travers
la résistance R1. Au bout d'un moment (environ 2 ou 3 secondes), la
tension à ses bornes atteint une valeur suffisante pour provoquer la
mise en conduction de la diode zener D11 et la traverser
pour arriver jusqu'au transistor Q1, qui s'active enfin et fait
coller le relais. La question du prof maintenant est : quelle tension
doit-on avoir aux bornes de C4 pour activer le relais ? La réponse de
l'élève est la suivante : il faut au moins 0,7 V (jonction
base-émetteur de Q1) + 9,1 V (tension nominale de la diode zener D11),
soit 9,8 V. C'est bien sûr la bonne réponse, félicitations. Si on veut
raccourcir la durée de la temporisation, on a deux solutions : soit
diminuer la valeur de C4, soit adopter une tension nominale inférieure
pour D11, par exemple 4,7 V au lieu de 9,1 V. Pour augmenter la durée
de la temporisation, on ne peut qu'augmenter la valeur de C4, voir
aussi un peu celle de la résistance R1.
Alimentation
Ce temporisateur est alimenté sous une tension de +12 V grâce au
régulateur de tension
U1. Comme on souhaite profiter de l'alimentation de l'amplificateur, on
a juste besoin de s'assurer que le régulateur supporte la tension qu'on
lui applique. Le 7812 (LM7812, UA7812, etc) supporte une tension de 35
V par rapport à la masse, et on pourrait se dire que c'est cool.
Seulement voilà, si on applique une tension de 35 V et que le relais
utilisé consomme 100 mA, la dissipation de puissance du régulateur est
de :
P = U x I = [35 - 12] (V) x 0,10 (A) = 2,3 W
et là c'est
moins cool. Pour éviter de se retrouver avec une tension de déchet de
valeur trop élevée entre l'entrée et la sortie du régulateur de tension
(et une dissipation de puissance trop grande), on ajoute des diodes
zener en série avec la source d'alimentation, pour réduire la tension
qui se retrouve effectivement appliquée à l'entrée du régulateur. La
dissipation de puissance se répartie ainsi dans plusieurs composants et
la gestion de l'échauffement s'en trouve simplifiée. Comme la tension
qu'on va récupérer de l'amplificateur de puissance dépend de
l'amplificateur lui-même (forcément), plusieurs entrées sont prévues,
chacune pour une plage de tension bien définie. Une fois la tension
disponible mesurée au voltmètre, vous n'avez plus qu'à utiliser
l'entrée la mieux apropriée. Notez que comme une seule entrée
d'alimentation est utilisée, les diodes présentes sur les autres
entrées sont facultatives.
Choix du relais
Ici on ne commute pas un signal BF de
niveau ligne, mais un signal amplifié et où on a donc de la puissance
(le courant en sortie de l'amplificateur peut être élevé, plusieurs
ampères). Le relais ne peut donc pas être un modèle miniature et ses
contacts doivent supporter des pointes de courants en adéquation. Pour
cette raison on doit choisir un relais de puissance et non un
relais "signal". La référence du relais proposée ici peut être
remplacée par une autre de votre choix, il faut juste tenir compte des
points suivants.
- Vous devez impérativement utiliser un relais électromécanique, un relais statique ne convient pas pour cette application.
- Les contacts de puissance doivent supporter un courant d'au moins 5 A en régime continu.
Plus sera mieux mais inutile d'aller très haut tout de même, surtout si
votre amplificateur ne délivre que quelques watts. Le
courant max spécifié dans les caractéristiques techniques des relais
est donné pour un usage en régime permanent, et j'ose espérer que
votre amplificateur audio ne débite pas un courant constant de cette valeur...
- La
bobine de commande ne doit pas avoir une résistance trop faible pour
que le courant de commande reste modeste. Si par exemple on ne veut pas
dépasser un courant de bobine de 40 mA sous 12 V, il nous faudra une
résistance de bobine de valeur égale ou supérieure à 300 ohms :
R = U / I = 12 / 0,04 = 300 ohms.
Le
relais de type Omron G2R24-DC12 choisi ici est suffisant pour les
petits
amplificateurs audio, le courant max permanent pouvant passer dans ses
contacts de puissance est de 5 A, et la bobine de 275 ohms
implique un courant de commande de 43 mA (une version haute
sensibilité est également disponible chez Omron, avec une bobine de 400
ohms et courant de 30 mA).

Un relais de type Tyco
T92P7D12-12 pourrait bien convenir côté contacts de puissance (il
supporte 30 A en régime permanent) mais sa bobine de 86 ohms oblige à
un courant de commande de 140 mA. Il faut dire qu'il est difficile de
trouver un relais avec un fort pouvoir de coupure et une bobine qui
consomme peu, car plus la mécanique est costaud et plus il faut de la
force magnétique pour déplacer les contacts.
Pourquoi
éviter les relais dont le courant de commande est "élevé" ? Pas
vraiment pour l'amplificateur qui s'il est bien conçu ne devrait pas
manquer de réserve de ce côté-là. Mais il faut penser au régulateur de
tension du temporisateur, qui peut commencer à bien chauffer si on lui
en demande beaucoup. Supposons en effet que la tension continue
d'alimentation prélevée dans l'ampli est de 40 V et que vous utilisez
l'entrée 35V..40V. Dans ces conditions, on dispose d'une tension de
presque 22 V à l'entrée du régulateur, soit un différentiel
entrée/sortie de 10 V environ (40 V - 9,1 V - 9,1 V - 12 V). Si le
courant qui le parcourt est de 150 mA, sa dissipation de puissance sera
de
P = U x I = 10 (V) x 0,15 (A) = 1,5 W
et un bon dissipateur thermique s'impose. Autant limiter la taille de ce dernier, voir de s'en passer si possible.
Usage sur amplificateur mono
La
solution la plus simple consiste à câbler en parallèle les deux trios
de contacts du relais (les deux points "commun" ensemble, les deux
points "repos" ensemble et les deux points "travail" ensemble. Cela
permet de doubler le courant max global qui peut traverser les contacts
de puissance du relais. Pour le reste, rien ne change.
Usage sur amplificateur ponté
Dans
un amplificateur de type ponté, chaque borne du haut-parleur aboutit à
la sortie d'un étage amplificateur, aucune des deux bornes du HP
ne va à la masse. Le montage tel qu'il est présenté ci-avant ne
convient pas puisqu'il repose justement sur le fait qu'une des bornes
du HP (la broche "moins" la plupart du temps) est reliée à la masse.
Tout n'est que question de branchements, il faut juste modifier le
câblage du relais pour que le HP soit déconnecté et remplacé par
la résistance de charge le temps de la temporisation. C'est ce que
montre l'exemple de câblage suivant.

Au
repos (vue représentée sur le schéma), les contacts du relais assurent
la connection de la résistance de puissance RL_L sur les deux sorties
amplifiées de la sortie pontée. Au travail, les contacts du relais
assurent la connection du HP vers l'amplificateur. Notez que ce schéma
de câblage convient pour un seul HP et que pour une application stéréo
le relais doit être :
- soit remplacé par un modèle tétrapolaire (quatre ensembles de contacts inverseurs, soit QPDT ou 4PDT);
-
soit accompagné d'un second relais identique au premier, les deux
bobines devant alors être reliées en parallèle (donc doublement de la
consommation électrique du montage).
Circuit imprimé
Réalisé en simple face pour la version standard stéréo (non ponté).
Remarques
- Il est possible
d'utiliser une surface moindre de circuit imprimé en mettant le relais
de puissance à côté. Cela permet de choisir plus facilement son type de
relais, mais la fixation mécanique n'est pas forcément plus
pratique (sauf si vous optez pour un relais avec semelle de fixation
par vis).
- Vous
pouvez utiliser un support pour le relais, ce qui évitera de le souder
directement. Dans ce cas, choisissez de préférence un support avec clip
de verrouillage pour un bon maintien du relais.
- De
préférence, ajoutez une bonne couche de soudure sur les pistes les plus
larges (au niveau du relais), pour faciliter le passage des forts
courants.
- Les résistances de puissance doivent être montées à
quelques mm au dessus du circuit imprimé, elles ne doivent pas le
toucher (l'air doit pouvoir circuler en-dessous). Ce n'est pas qu'elles
aient vraiment le temps de chauffer beaucoup, mais comme c'est une
bonne habitude à prendre avec ce genre de composant...
Typon
aux formats EPS, PDF et Bitmap 600 dpi
Historique
16/12/2012
- Première mise à disposition.