Electronique > Réalisations > Interfaces > Interfaces MIDI > Distributeur MIDI 001

Dernière mise à jour : 14/05/2008

Présentation

Ce distributeur MIDI permet de dupliquer 1 voie MIDI en 4 voies MIDI identiques, et assure donc la fonction de MIDI Thru.

distributeur_midi_001_pcb_3d_a 

En d'autres termes, les sorties restituent à l'identique les données qui arrivent sur l'entrée. L'usage de ce type de montage est préférable à la mise en cascade de plusieurs instruments MIDI quand leur nombre augmente car dans ce cas les délais de transfert peuvent commencer à se faire sentir. Pas de composant programmable, uniquement des circuits logiques traditionnels. Une version à 16 sorties est proposée à la page Distributeur MIDI 001d.

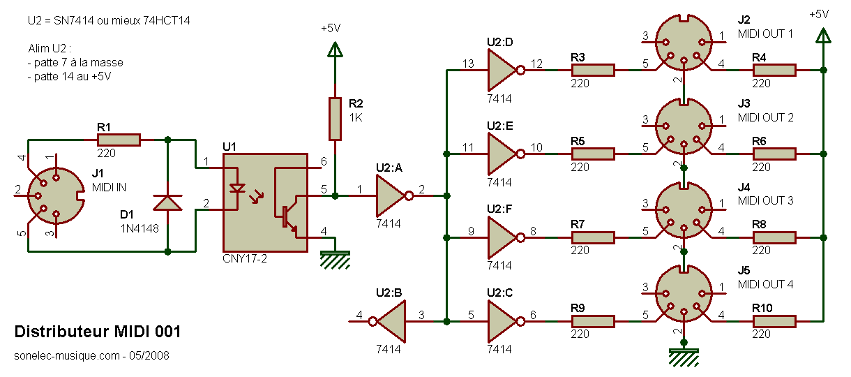
Schéma

Le schéma qui suit est relativement simple, et ne fait appel à aucun composant exotique.

Distributeur MIDI 001
 
Entrée MIDI
L'entrée MIDI abouti à un optocoupleur, chargé d'isoler galvaniquement la sortie de l'instrument que l'on va y connecter. Celà est ainsi fait pour les entrées MIDI de n'importe quel équipement que vous pouvez acheter dans le commerce. L'absence de boucle de masse est ainsi garantie, même si l'on connecte de nombreux équipements MIDI entre eux (ce qui n'est malheureusement pas toujours le cas pour la partie audio analogique). La résistance R1 est chargée de limiter le courant dans la led contenue dans l'optocoupleur, et la diode D1 permet de protéger cette même led en cas d'inversion de polarité des fils du cable MIDI.

Sorties MIDI
L'architecture de sortie est identique à ce que l'on retrouve dans tous les équipements MIDI : borne 4 de la prise DIN reliée au +5 V au travers d'une résistance de 220 ohms, borne 5 de cette même prise DIN recevant les données MIDI, tamponnées ici par un buffer de type 7414 (version HCT pour rapidité et faible consommation). Comme cela peut paraitre évident en regardant le schéma, les quatre sorties MIDI sont totalement identiques. Le circuit intégré 74HCT14 comporte 6 portes logiques dont une n'est pas utilisée (U2:F). Vous pouvez cependant la cabler afin d'ajouter une cinquième sortie si le coeur vous en dit, il vous suffira d'ajouetr deux résitsances de 220 ohms et une prise Din 5 points. Non utilisée, cette porte logique ne doit pas avoir son entrée en l'air, c'est pourquoi elle est raccordée à la sortie de la première porte alors que sa sortie n'est reliée à rien (on pourrait tout aussi bien relier cette entrée à la masse ou au +5 V).

Alimentation
L'alimentation nécessaire à ce montage doit délivrer une tension régulée de 5 V et doit être capable de débiter un courant de 100 mA. Elle peut être réalisée avec un transformateur 6 V / 3 VA, suivi d'un pont de diodes, d'un condensateur de filtrage et d'un régulateur intégré de type LM7805. Voir page Alimentation simple 001 pour plus de détails.

Choix d'autres optocoupleurs

Il est possible d'utiliser d'autres optocoupleurs pour l'entrée MIDI, voir page Interfaces MIDI pour plus de détails. 

Brochage des prises MIDI

Câblage valable pour les prises MIDI IN, MIDI OUT et MIDI THRU.

midi_din_cablage_001

La borne 2 est reliée à la masse au niveau des sorties mais pas au niveau des entrées, pour éviter toute boucle de masse entre équipements.

Ancienne réalisation

J'ai réalisé dans les années 80, un distributeur 1 entrée / 8 sorties, où seules 6 sorties étaient vraiment utilisées (on peut voir sur la partie supérieure de la photo ci-dessous que les résistances de 220 ohms des sorties 7 et 8 étaient cablées mais n'aboutissaient nulle part). Je n'avais pas utilisé des 74HCT14, je ne sais d'ailleurs plus ce que j'avais utilisé. Et je ne peux plus regarder, j'ai donné ce distributeur MIDI à un ami depuis un moment déjà.

Distributeur MIDI

On reconnait au tracé des pistes, l'usage de pastilles et bandes par lesquels passaient quasiment tous les débutants en électronique, quand l'usage de l'informatique et des logiciels de conception assistée n'était pas encore généralisés.

Ca ne fonctionne pas ?

Première chose à faire, vérifier la présence des tensions en divers points du montage. Le schéma ci-après montre les endroits où l'on doit trouver du 0V (petits carrés bleus) et les endroits où l'on doit trouver du +5V (petits carrés rouges), quand la prise MIDI In ne reçoit rien.

Distributeur MIDI 001 b

Pour ce premier test, la tension relevée entre masse et borne 5 de l'optocoupleur U1 (point commun avec R2) doit être proche de +5V. Si vous branchez une led sur une prise MIDI Out, anode sur borne 4 et cathode sur borne 5, cette led doit rester éteinte.
Le schéma suivant montre les endroits où l'on doit trouver du 0V (petits carrés bleus) et les endroits où l'on doit trouver du +5V (petits carrés rouges), quand la prise MIDI In reçoit une tension continue permanente de +5V.

Distributeur MIDI 001 c

Pour ce deuxième test, la tension relevée entre masse et borne 5 de l'optocoupleur U1 (point commun avec R2) doit être proche de 0V. Si ce n'est pas le cas, c'est que le transistor de l'optocoupleur n'est pas parfaitement saturé. Si vous branchez une led sur une prise MIDI Out, anode sur borne 4 et cathode sur borne 5, cette led doit s'allumer.

Circuit imprimé

Réalisé en simple face.

distributeur_midi_001_pcb_composants

Typon aux formats PDF, EPS et Bitmap 600 dpi

Historique

14/05/2008
- Première mise à disposition.