Electronique > Réalisations > Jeux de lumière > Clignotant 009

Dernière mise à jour : 20/12/2008

Présentation

Le présent clignotant est prévu pour être raccordé sur une batterie 12V de voiture.

clignotant_009_pcb_3d_a

Il met en oeuvre un régulateur de tension et une ampoule à filament, associés à quelques composants archi-classiques. La fréquence de fonctionnement est fixe mais peut être aisement ajustée si nécessaire.

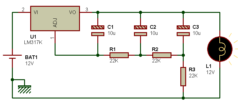
Le schéma

Le schéma de ce clignotant est extrait d'une note d'un des constructeurs proposant le régulateur de tension LM317K (LM317 en boiter TO3).

clignotant_009

La vitesse de clignotement dépend de la valeur donnée aux résistances et aux condensateurs. J'ai changé la valeur des résistances R1 à R3 de 10 KO à l'origine par des 22 KO, car je trouvais le clignotement trop rapide.

Le circuit imprimé

Réalisé en simple face. C'est le tout petit plus que je peux apporter à un schéma déjà existant ;-)

clignotant_009_pcb_composants

Typon aux formats PDF, EPS et Bitmap 600 dpi