
Cet ampèremètre de type non intrusif, basé sur l'emploi du transducteur de courant LAH25-NP élaboré par la société LEM, permet de mesurer une intensité de courant comprise entre 0 et 25 A, avec une précision de 0,3% et une erreur de linéarité inférieure à 0,2%.

Le circuit a été étudié pour délivrer une tension de 1 V pour 10 A (0.1 V pour 1 A, 2.5 V pour 25 A).
Voir aussi Théorie - Mesure d'un courant.
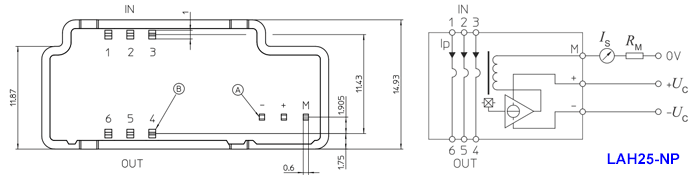
Le schéma est d'autant plus simple que les LED et résistances associées sont totalement optionnelles. Les deux composants absolument indispensables sont le transducteur de courant U1 (LAH25) et la résistance R1 de 100 ohms (en plus bien sûr des borniers de connection).

Le transducteur de courant LAH25-NP s'appuie sur un
capteur à effet Hall, ce qui permet une isolation électrique
(galvanique) totale entre le circuit sous mesure et celui d'affichage.
En outre, la perte d'insertion est quasiment nulle, la résistance du
circuit d'entrée n'étant que de 0.18 milli-ohms en
configuration
de mesure sur une plage de 25 A, soit une chute de tension
d'environ 5 mV sous 25 A (détails plus loin).

Ce transducteur comporte :
La résistance Rm (R1) permet de convertir le courant de sortie Is en une tension que l'on peut appliquer à l'entrée d'un voltmètre ou d'un oscilloscope. Les broches IN1 à IN3 et OUT1 à OUT3 peuvent être câblées de plusieurs façons, voir tableau ci-après.

Dans mon application, j'ai choisi le mode de câblage où les trois broches IN1 à IN3 sont interconnectées, comme le sont les trois broches OUT1 à OUT3 (ligne du tableau ci-devant en vert). Cette configuration permet une plage de mesure de 0 A à 25 A, avec un taux de transfert de 1:1000. Le courant de sortie Is est ainsi de 1 mA pour un courant à mesurer de 1 A.
Remarques
La résistance Rm (R1) traversée par ce courant de sortie Is développe à ses bornes une tension Us proportionnelle à sa valeur ohmique qui est ici de 100 ohms. L'occasion rêvée de réviser la fameuse loi d'ohm U = R * I :
Pour Rm (R1) = 100 ohms et Is = 1 mA (I mesuré = 1
A) : Us = 100 * 0.001 = 0.1 V
Pour Rm (R1) = 100 ohms et Is = 25
mA (I mesuré = 25 A) : Us = 100 * 0.025 = 2.5 V
Remarque : pour limiter les erreurs de mesure, il convient de choisir une résistance de précision pour R1.
Si vous optez pour une plage de mesure de 12 A ou de 8 A, notez que le courant de sortie nominal sera de 24 mA pour la valeur max du courant d'entrée.
En conservant pour Rm (R1) la valeur de 100 ohms, cela signifie que la tension Us nominale sera, pour chacune de ces plages :
L'alimentation du transducteur de courant LAH25 doit être de type symétrique, +/-12 V ou +/-15 V. J'ai choisi d'utiliser les traditionnels régulateurs LM317 et LM337 tels que présentés dans mon alimentation symétrique 012.
Réalisé conformément à l'implantation proposée ci-après.
Pour mes tests, j'ai utilisé une alimentation de laboratoire en série avec un multimètre configuré en ampèremètre, le tout aboutissant en court-circuit sur l'entrée de l'ampèremètre 003. Le réglage du courant de court-circuit s'est fait sur l'alimentation de laboratoire, dont la valeur maximale est de 5 A.
| Courant
affiché sur alim labo (Basetech BT-305) |
Courant
affiché sur multimètre (Fluke 79-III) |
Tension
en sortie de l'ampèremètre 003 (Jeulin CL1) |
Ecart |
| 0,11 A | 0,100 A | 0,008 V => 0,08 A | 12%..25% |
| 0,25 A | 0,250 A | 0,023 V => 0,23 A | 4%..8% |
| 0,50 A | 0,500 A | 0,047 V => 0,47 A | 4%..6% |
| 1,00 A | 1,000 A | 0,098 V => 0,98 A | 1%..2% |
| 2,00 A | 2,007 A | 0,199 V => 1,99 A | 0,5% |
| 3,01 A | 3,002 A | 0,299 V => 2,99 A | 0,3% |
| 4,02 A | 4,007 A | 0,400 V => 4,00 A | 0,1% |
| 5,02 A | 05,00 A | 0,500 V => 5,00 A | 0% |
| 10,0 A | - | - | - |
| 15,0 A | - | - | - |
| 20,0 A | - | - | - |
| 25,0 A | - | - | - |
Manifestement (en tout cas avec ce prototype), il est difficile de faire confiance aux valeurs d'intensité de courant inférieures à 1 A.
Réalisé en double face. Le connecteur J1 doit être assez costaud !
Remarque importante :
Mon circuit imprimé a été conçu avec
l'idée que les courants que je mesurerai ne dépasseront pas 15
A.
29/08/2021
- Prototype finalisé, mesures effectuées.
25/07/2021
- Première mise à disposition.