Dernière mise à jour :
15/02/2015
Présentation
Cette page regroupe quelques schémas d'amplificateurs audio de
faible puissance (quelques mW à quelques W), destinés
à travailler
avec des signaux logiques et non avec des signaux
analogiques (ils ne conviennent pas pour des sources audio de type voix ou musique). Ils sont donc plus particulièrement prévus
pour être raccordés en sortie d'un
oscillateur rectangulaire,
d'une sirène, d'une porte logique, d'un PIC ou tout autre
générateur sonore
fournissant un signal "numérique". Du fait du mode utilisé qui est de
type tout ou rien (signal rectangulaire), la dissipation thermique des
composants utilisés (transistors ou circuits intégrés) est faible et
aucun dissipateur thermique (radiateur) n'est requis pour la plupart
des schémas proposés. Quand un dissipateur est requis ou conseillé,
cela est indiqué.
Avertissements
- Contrairement à ce que je fais pour la majorité des
montages diffusés sur mon site, ceux qui suivent ne comportent
pas de descriptif détaillé de fonctionnement. Il s'agit
juste d'un petit tas de schémas dans lequel piocher. Certains
schémas sont de moi, d'autres sont du type "fait par tout le
monde et qu'on trouve partout".
- Bien que classés dans la catégorie faible puissance,
certains des amplificateurs décrits ici sont en mesure de faire
réellement "du bruit". Un signal carré de 30 W ne donne
absolument pas la même impression de puissance sonore qu'un
signal sinusoïdal ou musical de 30 W. Merci de respecter vos
voisins et la loi...
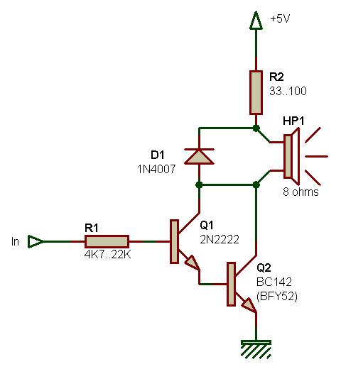
Alim 5 V - HP 8 ohms - Puissance 100 mW
Pour ce petit ampli, la valeur exacte des composants, ainsi que le
choix des transistors, ne sont pas très critiques.
Pour les résistances, utiliser une valeur comprise dans les
fourchettes indiquées sur le schéma. Pour Q1 et Q2, des
transistors BF moyenne puissance NPN quelconques peuvent faire
l'affaire. Le second transistor (Q2) sera de préférence
un modèle capable de dissiper une puissance comprise entre 500
mW et 1 W. L'entrée In peut être raccordée sur une
sortie "logique", telle la sortie d'une porte logique TTL ou CMOS, ou
borne 3 d'un NE555, par exemple. La diode D1 protège les
transistors contre les surtensions provoquées par la bobine du
HP quand le courant qui le traverse est interrompu, c'est à dire
quand Q2 se bloque.
Alim 5 V à 12 V - Puissance quelques centaines de mW
Le
circuit présenté ci-après est compatible CMOS et TTL et est de
même type que le précédent et fait également appel à deux transistors
montés en darlington. Mais cette fois-ci ils sont montés en suiveur et
non plus en commutateur. L'avantage est de permettre l'ajout plus
facile d'un réglage de volume par potentiomètre monté en diviseur
résistif.

Ce
montage travaille plus en régime linéaire qu'en régume bloqué / saturé,
l'échauffement des transistors est un peu plus important.
C'est surtout vrai pour le second transistor (Q2), lequel devra de
préférence être muni d'un petit dissipateur thermique, surtout si vous
adoptez une tension d'alimentation de 12 V. Le condensateur C1 et la
résistance R1 sont optionnels mais très fortement recommandés. Le
condensateur C1 s'oppose à toute composante continue fixe qui
surviendrait en cas d'absence d'oscillation sur le circuit source. La
résistance R1 polarise la base du transistor Q1 vers la masse, de sorte
que l'ensemble des deux transistors ne conduise pas en absence de
signal à l'entrée (sinon le HP n'aimerait pas trop ça).
Alim 12 V - HP 8 / 4 ohms - Puissance 8 / 15 W
Cet ampli délivre quelques bons petits watts à partir
d'une sortie HP déjà légèrement
amplifiée (inférieure à 1W), ou à partir d'une source pas encore
amplifiée mais généreuse en courant disponible (100 mA au moins).
Cet ampli commence à donner du sien quand l'amplitude du signal
d'entrée atteind 800 mV. Il est possible de relier son
entrée (In) sur une sortie pas encore amplifiée, mais
cette dernière devra tout de même être en mesure de
fournir un courant de quelques dizaines de mA (environ 60 mA pour une
tension de 10 V), ce dont n'est pas capable une porte logique
classique. Par contre, un NE555, qui est capable de débiter 100
mA sans problème, fait parfaitement l'affaire (pas la version CMOS).
N'oubliez pas de prévoir un HP de
taille conséquente et de puissance adaptée, le petit
modèle de huit cm de diamètre risquerait de se transformer en un beau
projectile. Q2 peut être remplacé par un autre PNP de
puissance, un AD149 par exemple. Si vous acceptez de faire débiter par
la source à amplifier, un courant de 100 mA (au lieu des 60 mA
précédement annoncés), vous pouvez supprimer le transistor 2N3053. En
contrepartie, et pour ne pas rester dubitatif devant un montage trop
simple, vous pouvez ajouter deux diodes et un condensateur, comme le
montre le schéma suivant.
Sur
ce dernier schéma, la tension V2 est issue du +12V alimentant l'étage
d'amplification et est filtrée. Cela permet au circuit générateur
sonore qui précède (à base de NE555 ou autre), de travailler avec une
alim propre et de ne pas être pollué par les pics de courant et de
tension produit par le transistor de puissance et le HP lors de chaque
commutation. Ce filtrage additionnel D3 / C1 n'est pas obligatoire mais
reste tout de même bien conseillé (et s'applique aussi aux autres
amplis). Le 2N3055 peut également être épaulé par un PNP de type 2N2905
lui-même piloté par un petit "driver" BC318 ou BC338 :

Avec
ce montage équipé d'un HP de 4 ohms, l'entrée peut être raccordée à une
source avare en mA (petit oscillateur à transistor, par exemple). La
puissance de sortie est là encore plus que suffisante pour faire mal
aux oreilles. Surtout si vous optez pour un HP de 2,5 ohms (dans ce cas
la puissance grimpe d'un cran) ! Dans ce type de montage, le courant
circule dans le HP quand la tension d'entrée est suffisante pour faire
conduire Q1 (signal de sortie en phase avec le signal d'entrée).
Alim 12 V - HP 8 ohms - Puissance 5 W
Quel gachis. Disposer d'une tension d'alim de 12 V, aboutir à
une telle complexité pour finalement ne sortir que 5 W...
Oui, mais ici, le courant demandé en entrée de l'ampli
n'est que de quelques mA, et on peut donc le raccorder sur une sortie
un peu "faiblarde". Pour ce qui est de la valeur du condensateur de
sortie C1 (
condensateur
de liaison),
je vous laisse seul juge de la nécessité de la diminuer
ou non. Faites donc un test avec un condensateur de 10 u, puis un autre
test avec un condensateur de 100 uF. Enfin, j'avoue avoir tout de
même un peu exagéré sa valeur, puisqu'un 220 uF
suffit bien.
Alim 12 V - HP 4 ohms - Puissance 5 W
Ce
circuit met en oeuvre un amplificateur
BF intégré de type TDA2003 (ou TDA2002 si on accèpte un peu moins
de puissance) et quelques composants périphériques pour la déco.

En temps ordinaire, le TDA2003 (ou
TDA2002) est utilisé en régime linéaire, pour amplifier un signal
audio (
exemple).
A ce titre on l'utilise avec une contre-réaction destinée à fixer son
gain, généralement de 100 (+40 dB). L'entrée inverseuse est ici reliée
à la masse à travers une résistance de forte valeur et n'a aucun
contact avec la sortie du circuit intégré. Le circuit fonctionne donc
en boucle ouverte avec un gain maximal. Le résultat auditif serait
absolument horrible avec une source musicale, mais pour travailler avec
un signal BF de type rectangulaire, aucune scrupule à avoir. Et puis
après tout, un signal de type rectangulaire est un signal BF comme
un autre, il est simplement moins "sensible" à la saturation...
Alim 12 V - HP 8 ohms - Puissance 30 W
Ca alors ! A l'école, on m'a appris que la puissance
était égale à la tension élevée au
carré puis divisée par la valeur de la résistance,
ou encore égale au produit de la tension par le courant :
P = U
2 / R = U * I
Or, avec 12 V et une résistance de 8 ohms, la puissance max théorique
devrait être de :
P = (12 * 12) / 8 = 18 W
Et ce, puissance au grand maximum puisqu'on ne tient même pas
compte des pertes inévitables dans les transistors ! Comment
diable le schéma qui suit peut-il sortir 30 W ?
Par un simple montage en pont. Le HP n'est pas relié entre la sortie
d'un amplificateur et la masse, mais
entre la sortie
de deux
amplificateurs, qui travaillent de façon "inversée".
Cette façon de faire est un peu abordée à la page
Déphaseur
audio 001.
Retenons simplement qu'en procédant ainsi, le HP ne
reçoit pas une tension de 12 V, mais une tension double. En
réalité, la tension appliquée au HP ne fait pas 24
V, mais environ 20 V, à cause de la simplicité du montage
(côté polarisation) et des pertes dans les transistors de
puissance TIP122 et TIP127. Mais même avec 20 V, cela permet
d'obtenir une puissance de :
P = (20 * 20) / 8 = 50 W
Pourquoi une telle différence entre le calcul indiquant 50 W et
les 30 W annoncés ? Parce que la formule s'applique à une
tension continue, et non à un signal périodique
rectangulaire. Pour un signal rectangulaire de rapport cyclique 50 %,
la puissance moyenne est la valeur calculée, multipliée
par 0,707 (ou divisée par 1,41). Bon, ça fait 35 W, mais
je préfère rester pessimiste et penser que les pertes
dans les transistors peuvent être un peu plus importantes.
Mauvaise façon de voir les choses ?
Signal d'attaque (source sonore)
La sortie d'un NE555, d'un circuit logique TTL ou CMOS conviennent
parfaitement, le courant d'entrée nécessaire pour cet
ampli doit être de quelques centaines de uA, 1 mA étant
une "bonne" valeur. Si l'amplitude du signal d'attaque est
inférieure à 12 V, vous pouvez abaisser
légèrement la résistance R1 montée en
série avec l'entrée (diminuer de 12 KO pour amplitude 12
V, à 4,7 KO pour amplitude 5 V, par exemple).
Choix du HP
Le principal est que le HP supporte la puissance fournie. Dans le cas
présent, un modèle 30 W à 50 W convient (conseil :
au moins 40 W pour la marge). Si fréquences plutôt graves
ou médium à transmettre (sirène d'alarme par
exemple), un HP de diamètre 20 cm minimum sera bienvenu. Si
fréquences plutôt aigues (antimoustique à ultrasons
par exemple), pas besoin d'un si gros diamètre, on trouve des
tweeters de 10 cm qui supportent cette puissance. Pour un usage en
extérieur, il est conseillé d'opter pour un HP
"plastique" ou à chambre de compression, plus aptes à
supporter les inévitables variations de température et
d'humidité.
Historique
15/02/2015
- Ajout schéma ampli_bf_mini_005b avec 2N3055 et HP 4 ohms ou 2,5 ohms.
15/01/2012
- Ajout schéma ampli_bf_mini_007a avec réglage volume.